




Промышленная стиральная машина Imesa RC 23
Низкоскоростная Промышленная стиральная машина IMESA RC 23 является отдельностоящей машиной с фронтальной загрузкой и электронным управлением для стирки в промышленных масштабах. Бак из нержавеющей стали вмещает 23 кг белья. Цикл стирки можно выполнять в полном объеме или выборочно отменять определенные стадии даже во время процесса. Для этого на панели управления машины предусмотрена кнопка быстрого доступа. Контроль за моющим средством осуществляется посредством трех индикаторов. По умолчанию доступно 6 программ стирки. Пользователю предоставляется возможность подключить горячую и холодную воду, а также отследить ошибки и неисправности, возникающие в процессе стирки. Машина крепится к полу при помощи четырех химических болтов, поставляемых с машиной.
Комплектация низкоскоростной профессиональной стиральной машины IMESA RC 23: электрический нагрев, передняя, верхняя и боковые панели из нержавеющей стали AISI 304, внутренний и внешний барабаны из нержавеющей стали INOX AISI 304. Современный программатор IM9: 6 фиксированных программ, сенсорный дисплей. Возможность добавить цикл охлаждения перед циклом слива, возможность отключить цикл отжима в программе, функция самодиагностики. G фактор – 48. По умолчанию 3 ф+N, 380 В. Мощность 17 кВт; Диаметр люка – 380 мм. Вес нетто/брутто 390/431 кг; Размеры в упаковке: ШхГхВ – 1000х1150х1640 мм.
Модель IMESA RC 23 зарекомендовала себя как наилучший выбор для прачечных в гостинице, на предприятии, в больнице, коммерческой и индустриальной прачечной.
| , кг: | 23 |
|---|---|
| ОБЪЕМ БАРАБАНА (л): | 215 |
| ТИП НАГРЕВА: | электрический |
| МОЩНОСТЬ (кВатт): | 17 |
| НАПРЯЖЕНИЕ, В: | 220 / 380 |
| G-ФАКТОР: | 48 |
| ОСТАТОЧНАЯ ВЛАЖНОСТЬ (%): | 80 |
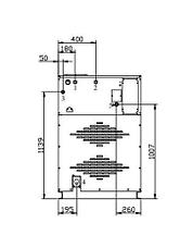
| ГАБАРИТНЫЕ РАЗМЕРЫ Ш*Г*В (мм) | 880*1052*1314 |
| ВЕС, кг: | 390 |
| Основные | |
|---|---|
| Производитель | Imesa |
| Страна производитель | Италия |
| Тип управления | Автоматическое/Ручное |
- Цена: Цену уточняйте


